Butelie de egalizare Termojet SH-26 DN 1″, 2,1 m³/h, izolata
Butelia de egalizare SH-25 este proiectată pentru încăperile de cazane de putere redusă bazate pe un cazan pe gaz sau pe combustibil solid. Suporturile de perete sunt incluse în livrare.
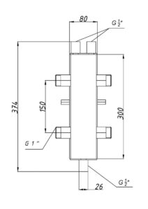
Separator hidraulic este un dispozitiv care exclude influența reciprocă a pompelor consumatorilor de căldură asupra pompelor cazanului. Acesta vă permite să vă organizați clar funcționarea unui sistem complex de încălzire cu mai multe generatoare de căldură și consumatori de căldură, și ajută cazanele să atingă puterea maximă și le asigură îndelungata durată de viață. De asemenea, separatorul hidraulic elimină gazele dizolvate și nămolul din sistem.

- Conexiune aerisire 1/2″
- Conectarea senzorului de temperatură BP 1/2″
- Fixarea săgeții hidraulice
- Racordarea unei supape de scurgere BP 1/2″
- Sifon încorporat
- Separator de aer încorporat

Caracteristici Termojet SH-25 DN 1:
- Diametrul conectării ,1″
- Presiunea de lucru 6 bar
- Gmax la V=0,2 m/sec 2,1 m3/h
- Puterea: ΔT=10°C 25 kw
- Puterea: ΔT=20°C 50 kw






Opinii
There are no reviews yet