Distribuitor cu separator hidraulic integrat, racord 1″1/4-1″ Termojet 3+1 (ieșiri în sus)
Colectorul este utilizat în sistemele de încălzire, unde este necesară distribuirea debitului către mai multe circuite de încălzire cu parametri diferiți. Colector cu separator hidraulic integrat HS-25 este conceput pentru instalare ușoară și economisire de spațiu în camera centralei termice.
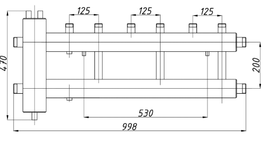
Distanța axială dintre conductele de tur și retur ale circuitelor de încălzire este de 125 mm.
Construcţia robustă din oţel, cu izolaţie termică din polietilenă reticulată (XLPE), reduce pierderile de căldură şi optimizează randamentul sistemului. Distanţa centrală de 125 mm între tur şi retur permite integrarea uşoară în instalaţii standard, iar flexibilitatea de montaj (rotire până la 180° pe orizontală) se pliază pe configuraţii variate de şantier.
- Suporti de montare inclus

| Articol | 84040322 |
| Numărul de circuite de încălzire | 3+1 |
| Qmax: △T=10°C | 60 kW |
| Qmax: △T=20°C | 95 kW |
| Gmax | 6,35 m³/oră |
| Conectarea generatorului de căldură | 1 ¼” |
| Conexiuni circuit de încălzire | 1″ |



Opinii
There are no reviews yet