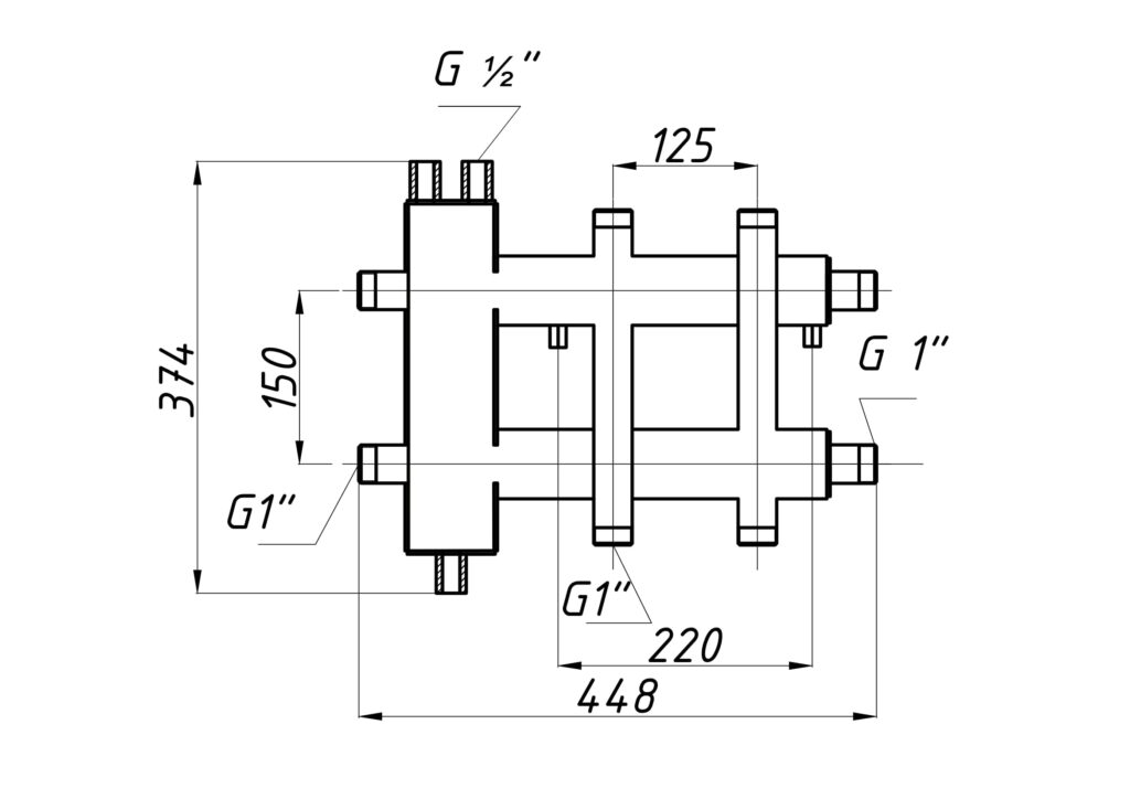
Distribuitor cu separator hidraulic integrat, racord 1″-1″ Termojet 2+1 (ieșiri sus+jos)
Colectorul este utilizat în sistemele de încălzire, unde este necesară distribuirea debitului către mai multe circuite de încălzire cu parametri diferiți. Colector cu separator hidraulic integrat HS-25 este conceput pentru instalare ușoară și economisire de spațiu în camera centralei termice.
Distanța axială dintre conductele de tur și retur ale circuitelor de încălzire este de 125 mm.
- Suporti de montare inclus

| Articol | 84040181 |
| Numărul de circuite de încălzire | 2+1 |
| Qmax: △T=10°C | 25 kW |
| Qmax: △T=20°C | 50 kW |
| Gmax | 5,1 m³/oră |
| Conectarea generatorului de căldură | 1″ |
| Conexiuni circuit de încălzire | 1″ |



Opinii
There are no reviews yet